智能吸收式换热机组
1 、吸收式换热机组原理介绍 吸收式热泵循环主要利用了溴化锂溶液的吸湿性及水在真空条件下低沸点的性质。以吸收式循环为基础的吸收式机组主要由4 大部件组成——发生器、冷凝器、蒸发器、吸收器,溴化锂溶液及冷剂水在这四个部件中循环,完成多种换热过程。下面进行详细说明。 a.发生器:溴化锂稀溶液在发生器内被高温热源加热浓缩,产生水蒸气及溴化锂浓溶液,同时热源温度降低。水蒸气进入冷凝器,溴化锂浓溶液进入吸收器。 b.冷凝器:由发生器产生的水蒸气进入冷凝器后,由于外部循环水的温度较低,水蒸气冷凝变成冷剂水,放热给外部循环水,循环水温度升高。冷剂水进入蒸发器。 c.蒸发器:冷剂水进入蒸发器后,由于压力降低,其沸点降低到外部循环水温度以下,此时冷剂水蒸发吸热,产生的水蒸气进入吸收器;同时外部循环水放热,温度降低,产生制冷效果。
1 、吸收式换热机组原理介绍
吸收式热泵循环主要利用了溴化锂溶液的吸湿性及水在真空条件下低沸点的性质。以吸收式循环为基础的吸收式机组主要由4 大部件组成——发生器、冷凝器、蒸发器、吸收器,溴化锂溶液及冷剂水在这四个部件中循环,完成多种换热过程。下面进行详细说明。
a.发生器:溴化锂稀溶液在发生器内被高温热源加热浓缩,产生水蒸气及溴化锂浓溶液,同时热源温度降低。水蒸气进入冷凝器,溴化锂浓溶液进入吸收器。
b.冷凝器:由发生器产生的水蒸气进入冷凝器后,由于外部循环水的温度较低,水蒸气冷凝变成冷剂水,放热给外部循环水,循环水温度升高。冷剂水进入蒸发器。
c.蒸发器:冷剂水进入蒸发器后,由于压力降低,其沸点降低到外部循环水温度以下,此时冷剂水蒸发吸热,产生的水蒸气进入吸收器;同时外部循环水放热,温度降低,产生制冷效果。
d.吸收器:在吸收器里,浓溶液吸收水蒸气稀释为稀溶液,该过程是一个放
热过程,外部循环水被加热。产生的稀溶液再次进入发生器,进行下一个循环。完整的溴化锂吸收式循环流程如下图所示。
从外部的角度看,发生器、蒸发器将外部循环水温度降低,而在冷凝器和吸收器内,外部循环水的温度升高。如果利用蒸发器的外部循环水,则可以产生制冷的效果;如果利用冷凝器和吸收器的外部循环水,则可以产生制热的效果。
常规吸收式换热机组的工作原理与吸收式循环基本相同,也就是说,其内部溴化锂、冷剂水的循环是一样的,区别在于外部循环水的流程。
由于发生器、蒸发器内都发生将外部循环水降温的过程,而冷凝器、吸收器内的过程均为将外部循环水升温,所以可以让一次水依次通过发生器和蒸发器进行降温,让二次水依次通过吸收器和冷凝器进行升温。为了让热量互相匹配并达到更大的换热效果,需要在中间增加一个板式换热器。
经过这样的组合流程,从外部看,可以看到吸收式换热机组达到了这样的效果:一次水温度逐级降低,最终降低至比二次水还低的温度;二次水逐渐被加热,最终达到需要的供热温度。
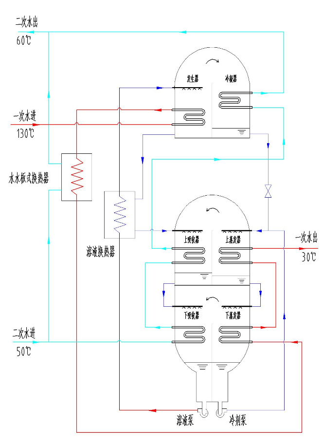
吸收式换热机组的典型流程如下图所示:一次网高温供水依次通过机组发生器、水/水换热器、机组蒸发器,逐级放热降温;二次网回水分两路,一路进入机组吸收器和冷凝器梯级升温,另一路进入水/水换热器与一次水逆流换热。吸收式换热机组在实现热量由一次网交换至二次网的过程中,突破了常规换热装置的极限,使一次网回水温度显著低于二次网回水温度,从而有效地减少了换热不可逆损失,不仅使一次网的热量输送能力大幅提高 50%以上,而且为热源回收余热创造了有利条件。

吸收式换热机组典型流程
吸收式换热机组采用两级蒸发/吸收、多回程错流滴淋发生的吸收式换热流程,进一步减少了机组内部的不可逆传热损失。通过优化内部管排结构和滴淋装置,解决了溶液小循环量、低压损条件下的布液难题,改善了各部件内的传热传质性能。在二次网供回水参数相同前提下,与常规循环相比一次水的进出口温差大幅增加,可降低一次网回水温度至 20℃左右,从而可以产生如下效果:

(1)一次网供回水温差大幅度增加,可提升既有热网输配能力80% ,避免既有管网的扩容投资;
(2)减少一次管网输送水量,从而改善管网水力调节环境,使管网分配更容易调节,尤其有利于改善末端换热效果。
(3)减小新建大型热网的管径、免除回水管网的保温措施,大幅降低新建管网投资;
(4)一次网回水温度大幅度降低,为高效深度回收电厂余热创造了条件。
2 、吸收式换热机组特点
2.1、吸收式换热机组根据供热系统参数定制,保证全工况高性能稳定运行。
对于集中供热系统而言,整个采暖季一次网供水温度、流量,二次水的供回水温度、流量都会根据热负荷的变化进行大幅波动,特别是一次水供水温度,温度波动范围 30-50℃ , 吸收式换热机组需要根据完整采暖季的历史运行记录进行全工况分析,针对不同的热网系统进行定制设计,包括足够的储液空间、流通通道,冷剂污染防护和结晶防护等,能够保证极限工况下,机组稳定运行,并且当工况变动时,可以实现平稳过渡,始终保持机组高效运行状态,一次网出水温度整个采暖季保持在 25℃以下。
2.2、供热工况设计理念,采用多级蒸发和多级吸收的结构
溴化锂吸收式机组在以往多用于空调制冷,基本按照制冷工况进行设计,制冷机工况不同于热泵工况,制冷机的运行工况由国家标准规定,为单一工况,冷热水进出口温差 5-7℃ , 而供热工况非常复杂,运行中变动非常大,其冷水和热水的进出温差也非常大,可达 30℃以上。采用多级蒸发多级吸收的流程,可以实现梯级换热,加大机组的进出口温差,从而降低机组出口温度,提高机组效率,使总效率可达到95%以上。优化了水侧流程及水室结构,阻力较低,可实现一次侧阻力小于 15m、二次侧阻力小于 15m。
2.3、单台机组双供热分区结构, 自动分配每个分区热量
吸收式换热机组分为 Ⅰ 型和Ⅱ型两种规格,分别对应暖气片及地暖空调工况。两种型号的机组均可以同时承担两个不同压力不同供热参数的供热分区,并且根据每个分区热负荷的实时需求,通过电动分配阀自动分配一次网流量,同时满足两个分区的供热要求。
2.4、备用板换供热模式,满足 100%上出力
吸收式换热机组主要由热泵主机和水水板换组合而成,当外部停电或机组故障导致主机停机时,可以通过内部阀门切换,切换到仅利用内部水水板换供热的模式,供热出力仍然可以达到设计出力的 100%,保证供热安全。
2.5、采用高效板换,提高机组换热效率及抗结垢性能
换热站供热最常发生的事情是板换二次侧结垢,一般情况下热力公司每年都要清理一次板换。吸收式换热机组的板换是一个重要的流程,采用的高效板换,二次侧流道是一次侧流道的 2~2.5 倍,二次侧设计流量是一次侧设计流量的1.2-1.5 倍。机组正常运行时,只要二次侧和一次侧的流量在 1:1 即可,因此,即使发生二次水少量结垢现象,一般情况下也不会影响机组的正常运行,总体热效率稳定在 95%以上。
2.6、机组全自动智能控制,数据实时传回监控中心,远程检测和分析, 自动进行调整进液量和给水量,从而满足用户的实时供热需求实现无人值守。
吸收式换热机组配备公司自主开发的远程监控管理系统,机组所有参数均可发送到研发中心远程监控中心,可以对每台设备进行全方面数据管理,分析机组运行情况,并对机组状况进行全面监控,可随时随地检查机组运行状态,一旦机组出现问题时,能够第一时间发现并提出解决方案,通知当地售后服务部门,快速到达现场解决问题,以减小损失,保证供热安全。
远程监控管理系统是通过基于 GPRS 的无线传输功能实现的换热机组的实时数据采集,从而通过数据分析实时监控换热机组的运行情况、运行性能分析、故障报警、地址导航等功能。该系统可通过远程通讯接口与用户的热力监控中心通讯并上传。
该监控管理系统将数据远程传输到服务器,进行数据分析,数据诊断;任何一个技术和售后人员均可以随时方便的通过手机和电脑登录网站来查看机组的运行状况,对有问题的机组,技术人员可通过性能分析将解决方法发布到网站上,同时售后人员可以在现场结合实际情况以最快速度处理问题,保证用户稳定的供热温度,使换热机组的自动化控制达到一个新的高度。系统通过GIS 系统精确定位,可以帮助每位售后服务人员准确找到机组位置,进行设备维保。
2.7、吸收式换热器为真空操作,运行时上下腔体均保持较高的真空度,无任何危险性。采暖期结束后,系统自动检测设备的真空度,并根据检测结果自动抽真空保护。如换热站长期停运,可采用充氮气保护,避免了换热器换热管的腐蚀,操作简便,维护方便。
2.8、吸收式换热器根据室外温度控制一网水的流量,通过调节发生器吸收的一网热量 ,溴化锂溶液量和浓度随之发生自动变化 ,从而使二次水负荷20~120%自动调节。
2.9、吸收式换热机组运动部件只有溶液泵、冷剂泵及真空泵,溶液泵冷剂泵选用合资品牌的高效屏蔽泵,本身屏蔽泵就有噪声小的特点,故而整个机组的噪声很小,机组一米周围测量不大于 75dB(A)。而且运行功率都很小,都为变频运转,故吸收式换热机组本身用电消耗很小,可忽略不计。
2.10 吸收式换热机组按照使用要求进行常规保养,保持水质的达标,其使用使用寿命可达 20 年以上,且其稳定达标运行可达 2880 小时/每个采暖季以上。采用全自动融晶、断电自动稀释等优化结构设计,从而保证故障发生率不高于1%。




